MKN FlexiCombi MagicPilot- 10.1 Electric
The FlexiCombi MagicPilot 10.1 Electric brings unmatched precision, reliability and versatility to busy commercial kitchens. Designed to handle large volumes with ease, this intelligent combination oven delivers consistently perfect results, whether baking, steaming or cooking multiple dishes simultaneously. As a Combi Oven, it combines oven and steam functions in one space-saving unit, making it an essential centrepiece in high-demand kitchens worldwide.
Made in Germany, the FlexiCombi MagicPilot 10 tray embodies engineering excellence, offering a smart, sustainable and flexible solution for modern professional culinary environments.
Stay Cool While Saving Energy
Thanks to advanced heat exchanger technology and a triple-glazed door, the FlexiCombi helps reduce kitchen heat while delivering up to 28% energy savings*
*Compared to previous model with rear ventilated, double glazed door
Minimal Water, Maximum Clean
Focus on cooking, not cleaning, with the MKN WaveClean two-in-one Cartridges. Its efficient circulation system completes each automatic cleaning cycle using just 35 litres of water, saving time, resource and effort.
DynaSteam: Controlled Steam, Every Time
Equipped with advanced sensors and temperature probes, DynaSteam delivers perfectly balanced steam for consistently precise, effortless cooking with every use.

Disclaimer: The video features the MKN FlexiCombi MagicPilot Electric Team displayed alongside the MKN SpaceCombi MagicPilot team for demonstration purposes.
Technical Specifications
MKN FlexiCombi MagicPilot- 10.1 Electric
Dimensions (W x H x D) | 997 x 1060 x 799 mm |
Connected Load | 15.9 kW |
Voltage | 415 3 Phase AC |
Recommended Fuses and frequency | 3 x 32 A and 50 Hz |
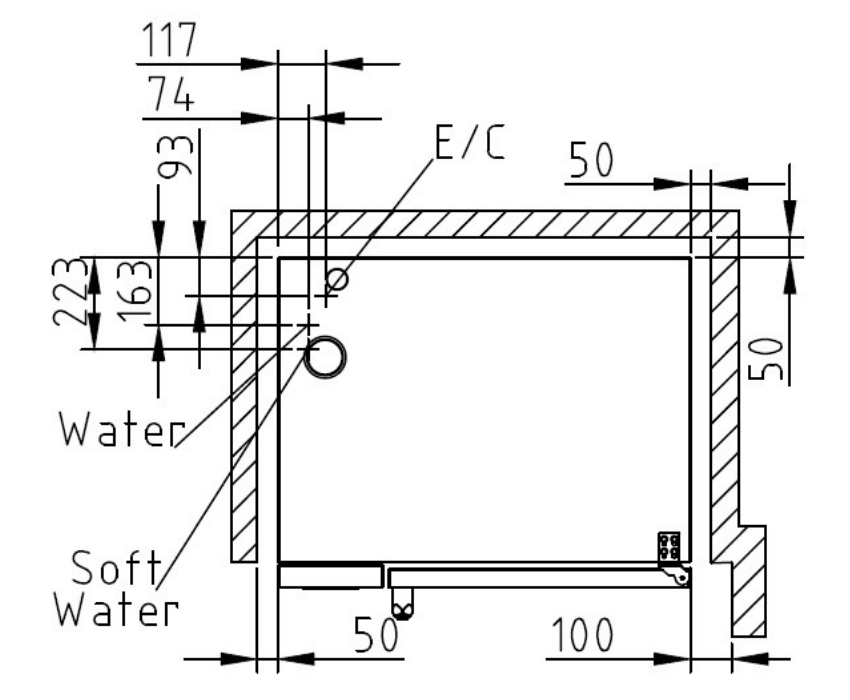
Soft water Connection and Water Connection | DN 20 (R ¾“ inside) |
Water Pressure | 200 - 600 (2 - 6 bar) |
Drain Connection | DN 50 |
Material housing | 1.4301 |
Material Cooking Chamber | 1.4404 |
Gross Weight | 180 kg |
Type of Protection | IPX 5 |
For mobile devices, scroll to the right to view table.
Features & Benefits Breakdown
Cool Design. Hot Results.
The FlexiCombi MagicPilot is built with a robust, triple-glazed door that combines energy efficiency with maximum user protection. Its advanced glass layering significantly reduces heat emission, maintaining a cooler kitchen atmosphere and cutting down on energy waste during operation. This superior insulation ensures uniform cooking temperatures and consistently high-quality results, while the exterior remains cool to touch providing extra safety and comfort for chefs during demanding service hours.
WaveClean: Designed for Cleaning Perfection
WaveClean delivers maximum hygiene and efficiency through its fully automatic cleaning system. Using a sealed, recyclable two-in-one cartridge that combines detergent and rinse aid, the FlexiCombi cleans itself at the touch of a fingertip without any manual measuring or handling required. Intelligent dosing technology ensures just the right amount of detergent used, lowering both operating costs and environmental impact. With only 35 litres per cycle, WaveClean sets a new benchmark for resource efficiency in professional kitchens.
Steam Precision, Maximum Efficiency
The MKN FlexiCombi harnesses the innovative Spitter steam radiation system to deliver efficient, low-maintenance steam generation without the drawbacks of traditional boilers. Positioned directly in the fan, the Spitter ensures even steam distribution across all levels while eliminating any metallic taste caused by water contacting heating elements. Efficiency is further enhanced by the integrated heat exchanger, which recovers and reuses waste heat, cutting energy consumption by up to 2 kW per operating hour in the FlexiCombi 20.x model compared to earlier MKN systems. Combined with the DynaSteam system, intelligent sensors and temperature probes continuously monitor and control steam levels, ensuring perfectly cooked food every time.
Stability in Every Tray
The FlexiCombi features extra-wide trays that enhances stability and make loading and unloading effortless. The expanded tray surface helps prevent spills and overflows, keeping the cooking chamber cleaner and the kitchen safer. This thoughtful design also streamlines workflow, enabling chefs to manage larger volumes of food with confidence, precision and ease.
Culinary Excellence, Automatically
The AutoChef function redefines professional kitchen workflow. With over 350 preloaded, chef-tested recipes, it ensures consistent, reliable and exceptional results across a wide range of dishes. Simply select a recipe on the touch display and AutoChef automatically adjusts time, temperature, humidity and fan speed minimising manual input and reducing labour. Coupled with unlimited customisation options, AutoChef is a powerful tool for speed, efficiency and precision, helping your kitchen work smarter, serve better and stay at the forefront of culinary innovation.
Connected, Controlled, Optimised
MKN Connected Kitchen streamlines operations by enabling seamless recipe sharing across multiple FlexiCombi units, eliminating the need for manual uploads. The system monitors equipment usage and tracks component life, providing predictive maintenance alerts to reduce downtime and extend service longevity. Operators can access real-time performance data, including machine location, while Phoeniks can log in remotely to diagnose issues, saving time and avoiding unnecessary service visits. Together, these features deliver unmatched efficiency, transparency and peace of mind in every professional kitchen.
Powerful Performance, Minimal Impact
The FlexiCombi MagicPilot features GreenInside, an intelligent system designed to optimise energy, water and resource efficiency for sustainable kitchen operation. By continuously monitoring consumption during cooking and cleaning, it automatically adjusts settings to minimise usage without affecting performance. This reduces operating costs while helping kitchens achieve their environmental and sustainability goals. Transparent usage data allows operators to track savings and make informed decisions to further enhance efficiency.
Get a Quote
Please fill in your details in the fields required and we will get in touch with a quote.